Как сохранить подсолнухи от птиц. Как уберечь урожай подсолнуха от птиц
- Как сохранить подсолнухи от птиц. Как уберечь урожай подсолнуха от птиц
- Связанные вопросы и ответы
- Трещотка для отпугивания птиц. Рекомендуемые товары
- Защита от птиц. Как защитить урожай от птиц: популярные эффективные способы!
- Что сделать, чтобы птицы не клевали подсолнух. Как защитить подсолнечник от птиц: есть маленький нюанс
- Отпугиватель птиц из дисков. Собираем ультразвуковой отпугиватель самостоятельно
- Птицы выклевывают подсолнухи. Птицы клюют подсолнух
- Видео отпугиватель птиц на подсолнухе
Как сохранить подсолнухи от птиц. Как уберечь урожай подсолнуха от птиц
Наш корреспондент напоминает о сезонной необходимости беречь корзинки подсолнуха.

Созревающие плоды подсолнуха уже привлекают птиц, поэтому не следует затягивать с защитой корзинок
На дачах и огородах созревают яркие корзинки подсолнуха, и к ним уже присматриваются синицы. Семена подсолнуха — любимый корм птиц. И мы обязательно должны сохранить корзинки подсолнуха для сурового периода зимовки крылатых друзей. Привыкнув к подкормке, синицы охотно выберут весною в саду и домик для жилья, если вы позаботитесь о них, заблаговременно изготовив дуплянку.
А пока необходимо сохранить урожай подсолнуха, уберечь его от нашествия птиц и дать возможность семенам дозреть на корню.

Прикрывать марлей следует только те корзинки, которые уже опылили шмели или пчелы
Для этого первым делом следует надежно закрыть плоды подсолнуха марлевой накидкой. Марля обеспечивает циркуляцию воздуха и предохраняет незрелые семена от плесени. Вот почему для защиты корзинки подсолнуха нельзя применять полиэтиленовые пакеты, как это делают некоторые неопытные дачники.
Пакеты всем хороши: они словно изготовлены для этой цели и по своим размерам идеально подходят для защиты семян, ими удобно прикрывать корзинки, но этот путь ведет к порче урожая.

Марля на корзинках подсолнуха: видит око, да зуб не ймёт

Главное достоинство марли как защитного материала от птиц — воздухопроницаемость
Высушив и сохранив корзинки подсолнуха от мышей, вы порадуете крылатых друзей вкусной и питательной подкормкой, а также будете иметь возможность прямо у своего окна наблюдать за массовым налетом синиц на корзинку подсолнуха в суровые крещенские морозы.
Связанные вопросы и ответы:
1. Какие методы можно использовать для защиты подсолнухов от птиц
- Существует несколько методов, которые помогут сохранить подсолнухи от птиц. Один из них - установка специальных сеток или натяжных лент через ряды подсолнухов. Такие препятствия могут снизить доступность растений для птиц. Также можно использовать механические устройства, например, металлические заграждения или пугала, чтобы отпугивать птиц. Важно регулярно проверять состояние защитных средств и вовремя вносить необходимые корректировки.
2. Как использование химических репеллентов может помочь сохранить подсолнухи от птиц
- Химические репелленты представляют собой средства, которые создают неприятный запах или вкус для птиц, делая подсолнухи менее привлекательными для них. Использование таких средств может защитить растения от птиц на первых этапах их развития. Например, можно использовать специальные препараты, которые наносятся на растения или на землю вокруг них. Важно при этом соблюдать рекомендации по дозировке и безопасности использования данных средств.
3. Какие естественные методы защиты можно применить для сохранения подсолнухов от птиц
- Один из естественных методов защиты подсолнухов от птиц - использование мирных соседей для отпугивания вредителей. Например, привлечение хищных птиц или насекомых, которые будут контролировать популяцию вредителей. Также можно разместить особые точки кормления для птиц, чтобы отвлечь их внимание от подсолнухов. Важно создать благоприятные условия для жизни полезных организмов, которые будут способствовать натуральной борьбе с вредителями.
4. Как важно регулярно проверять состояние подсолнухов для предотвращения ущерба от птиц
- Регулярная проверка состояния подсолнухов является важным аспектом защиты растений от птиц. При обнаружении ущерба, вызванного птицами, необходимо принимать меры по защите ценных культур. Например, можно усилить применение защитных средств или провести дополнительные мероприятия по контролю за птицами. Важно оперативно реагировать на изменения в состоянии подсолнухов и предпринимать необходимые действия для их защиты.
5. Как можно использовать звуковые сигналы для отпугивания птиц от подсолнухов
- Некоторые методы защиты от птиц включают использование звуковых сигналов для отпугивания вредителей. Например, можно установить устройства, издающие звуковые сигналы, имитирующие крики хищных птиц или другие звуки, которые будут неприятными для птиц. Такие устройства могут помочь создать атмосферу небезопасности для птиц и отпугнуть их от подсолнухов. Важно выбирать специализированные звуковые сигналы, которые будут эффективными в конкретной ситуации.
6. Как использование механических средств защиты может помочь сохранить подсолнухи от птиц
- Механические средства защиты, такие как сетки, натяжные ленты, металлические заграждения или пугала, могут помочь сохранить подсолнухи от птиц. Установка препятствий между рядами растений или вокруг них может осложнить доступ птицам к ценным культурам и уменьшить ущерб от их деятельности. Важно правильно выбрать и установить механические средства защиты, чтобы они не создавали помех для роста и развития подсолнухов.
7. Как важно поддерживать сбалансированный подход при защите подсолнухов от птиц
- Для эффективной защиты подсолнухов от птиц важно применять сбалансированный подход, включающий различные методы и средства защиты. Необходимо комбинировать химические, механические, естественные и звуковые методы защиты для достижения наилучшего результата. Важно также регулярно оценивать эффективность применяемых методов и вносить коррективы в случае необходимости. Только совокупное воздействие всех аспектов защиты позволит сохранить подсолнухи от птиц и обеспечить их успешный рост и развитие.
Трещотка для отпугивания птиц. Рекомендуемые товары
- 31800 руб.
Биоакустический отпугиватель птиц Bird Gard Pro (AntiBirdPro)
Прибор с эффективной площадью до 0.6 Га с возможностью работы как от сети 220 В через адаптер, так и от аккумулятора 12 В, поэтому прибор устанавливается как стационарно, так и на крыше автомобиля. Имеет один динамик.
1850 руб.Электронный ультразвуковой отпугиватель птиц Weitech WK-0020
Отпугиватель птиц Weitech WK-0020 эффективен против: голубей, скворцов, чаек, ворон, сорок, прочих не крупных птиц. Он производит специфические звуки в ультразвуковом диапазоне, которые неприятны птицам, однако не слышны человеческому уху и большинству домашних животных, включая собак и кошек.
1850 руб.Ультразвуковой отпугиватель диких животных и насекомых GX-033
Ультразвуковой отпугиватель GX-033 поможет справиться с грызунами, птицами, различными животными. Для дома, производства. Работает на батарейках. Оснащен яркой световой вспышкой и датчиком движения. Питание: четыре батарейки типа С. Радиус воздействия: 4,5 метра.
3600 руб.Ультразвуковой отпугиватель птиц ЭкоСнайпер LS-987BF
Отпугиватель птиц LS-987BF — это ультразвуковой прибор для отпугивания птиц с крыш зданий, с парковок, и т. д. Встроенный в устройство инфракрасный датчик движения срабатывает при появлении пернатых на расстоянии до 12 м и углом обзора 70°, это приблизительно 85 кв. м.
4500 руб.Универсальный отпугиватель ЭкоСнайпер PGS-046B на батарейках
Универсальный прибор для отпугивания мышей, бродячих животных и собак, птиц. Имеет встроенный детектор движения на расстоянии 7-10 метров. Для более эффективного отпугивания прибор оснащен яркими светодиодами и сиреной.
3840 руб.Биоакустический отпугиватель птиц ЭкоСнайпер LS-2001 Pir Sonic Birdchaser
Биоакустический отпугиватель птиц LS-2001 имитирует крики хищных птиц. Предназначен для отпугивания воробьев, дроздов, голубей, ворон, скворцов, других небольших птиц. LS-2001 имеет два режима работы: Auto - крики птиц воспроизводятся постоянно с переменным промежутком; PIR - воспроизведение включается только при срабатывании инфракрасного датчика. Питание: сеть 220В. Дальность срабатывания ИК-датчика: 15 м. Угол обзора: 130 градусов
Биоакустический отпугиватель птиц Bird Gard Super Pro AMP
Это один из самых мощных отпугивателей птиц, способный работать на площади до 12 Га. Он подходит для установки на аэродромах, полях, садах, огородах, виноградниках и других местах. Возможно записать в память прибора звуки тревоги и опасности, наиболее подходящие для отпугивания птиц в вашей области.
52500 руб.Биоакустический отпугиватель птиц "Купол-Био 3"
Купол-Био, семейство биоакустических отпугивателей Биоакустический отпугиватель птиц Купол-Био - новейшая отечественная разработка, которая впитала в себя все самые современные технические решения в области биоакустических отпугивателей.
60000 руб.Биоакустический отпугиватель птиц "Купол-Био 4"
Купол-Био, семейство биоакустических отпугивателей Биоакустический отпугиватель птиц Купол-Био - новейшая отечественная разработка, которая впитала в себя все самые современные технические решения в области биоакустических отпугивателей.
53500 руб.Биоакустический отпугиватель птиц Bird Gard Pro Plus
Модификация прибора Bird Gard Pro с двумя выносными динамиками и общей эффективной площадью до 1.2 Га. Остальные параметры схожи. Действует на все виды птиц, кроме врановых, возможен индивидуальный подбор голосов птиц, распространенных в вашей области.
29250 руб.Биоакустический отпугиватель птиц "Купол-Био 1"
Купол-Био, семейство биоакустических отпугивателей Биоакустический отпугиватель птиц Купол-Био - новейшая отечественная разработка, которая впитала в себя все самые современные технические решения в области биоакустических отпугивателей.
Биоакустический отпугиватель птиц "Купол-Био 2"
Купол-Био, семейство биоакустических отпугивателей Биоакустический отпугиватель птиц Купол-Био - новейшая отечественная разработка, которая впитала в себя все самые современные технические решения в области биоакустических отпугивателей.
Защита от птиц. Как защитить урожай от птиц: популярные эффективные способы!
Летом в сады прилетают птицы, они не только собирают личинки насекомых. червяков и гусениц. Дачники сталкиваются с проблемой пернатых воришек, которые не прочь полакомиться спелыми ягодами, фруктами и семечковыми.
Есть несколько способов борьбы с птичьим нашествием.
Установить на садовом участке «пугало».

На первое время это сработает и скворцы, воробьи, другие птицы будут бояться, и оставят деревья на время в покое.
2:1851Но со временем они привыкают к неподвижному охраннику и начинают поедать плоды.
Что сделать, чтобы птицы не клевали подсолнух. Как защитить подсолнечник от птиц: есть маленький нюанс

Какой красавец!
Ох, как же бывает жалко, когда вездесущие птицы буквально нападают на почти созревшие семена подсолнечника и опустошают его корзинки! А ведь дачники-огородники надеялись на урожай, столько труда положили, чтобы порадовать своих близких вкусными семечками… Что же предпринять в такой ситуации?
*******
Народ чего только не придумывает, чтобы отогнать птиц! И фольгу подвешивает, и блестящие компакт-диски, и жестянки, и вертушки-гремелки-сверкалки, и чучела с одного края огорода на другой таскает, и ультразвук использует! Приобретает муляжи хищных птиц и котов, расставляя их по крышам построек и по всему участку. Но пернатые друзья быстро соображают, что их околпачивают, и плюют на все эти ухищрения, продолжая активно пользоваться садом-огородом в своё птичье удовольствие.

Нас не обманешь!
Вот и мы прошли через испытание птицами и нашли лишь единственный способ оградить посадки от нападения. Поскольку подсолнечник у нас в Краснодарском крае любят практически все, то и выращивают его в массовом количестве. (Ну, конечно, на сколько позволяют сотки). Свои 4 ряда растений на кусочке земли 10 метров в длину укрываем агрономической сеткой с мелкой ячеёй , используя жерди в качестве опор в четырёх точках по периметру, и ещё пару опор в центре, потому что со временем сетка обязательно провиснет. Ведь её треплет ветер, осадки, те же птицы садятся. Опоры надо ставить с таким учётом, чтобы натянутая сетка не касалась корзинок подсолнечника - иначе птицы всё равно попортят его края, достанут клювами. Сетку берём защитную агрономическую от солнца, но с самым малым коэффициентом защиты от проникновения солнечных лучей.

Сетка защищает и урожай, и посадки от жгучих лучей
Ведь подсолнечник - дитя солнца, и весь день поворачивает свою шляпку от восхода до заката вслед за движением светила. Кстати, когда корзинка созревает, то замирает в восточном направлении. Значит, можно убирать урожай. У образованного сеткой полога надо закрыть все боковые лазейки с помощью подручного материала (например, прищепками), присыпав нижние края землёй. Если подсолнечника не очень много, то шляпку каждого растения надо обвязать тканью, марлей, старыми колготками, но так - здесь нюанс - чтобы место завязывания не попало на воздушную камеру , находящуюся в районе перехода стебля в плоскость семенной корзинки.

Расширение при переходе стебля в плоскость корзинки (наполнено как бы ватой) - выпуклое ложе соцветия - не должно быть закрыто при обвязывании
Иначе может нарушиться воздухообмен и корзинка загниёт, усохнет, запреет - в зависимости от погоды. Возможна её порча. Защиту надо надевать так, чтобы она цеплялась только за края шляпки, по венчику, как человеку надевают шапочку с резинкой по краю на голову. Соблюдение этого маленького нюанса сбережёт ваш урожай.
*******
Милости прошу на мой канал! Спасибо !
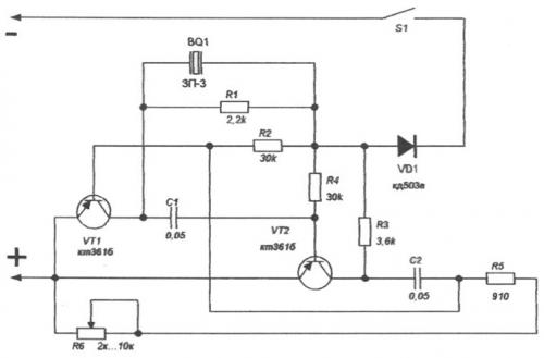
Отпугиватель птиц из дисков. Собираем ультразвуковой отпугиватель самостоятельно
В домашних условиях отпугиватель от птиц для дачи делают многие. Используются подручные материалы. Кто-то мастерит изделие из пластиковых бутылок , другие устанавливают огромные чучела, напоминающие злых хозяек Встречается на огородах отпугиватель птиц из дисков, которые тоже делают собственноручно.
Эффективность подобных пугающих устройств недостаточно высока: хитрые пичуги быстро привыкают к устрашающим приспособлениям, перестают бояться. Современные доморощенные мастера задумались, как сделать отпугиватель птиц собственноручно — такой, чтобы он оказался максимально эффективным. Уникальные самодельные устройства появились. С одним предлагаем познакомиться.
Сразу стоит оговориться, что выполнить акустический или ультразвуковой отпугиватель птиц своими руками сможет не каждый, а лишь избранные умельцы, способные работать с паяльником и разбирающиеся в схемах. Не стоит расстраиваться тем, кто в технике не силен и с паяльником пока не научился обращаться. предлагается на досуге соорудить отпугиватель сорок и ворон своими руками из воздушных шаров.
Компоненты для сбора
Чтобы сделать звуковой отпугиватель птиц своими руками, схема предложена ниже. Но сначала необходимо закупить нужные компоненты. У настоящего мастера они обнаружатся дома, кому-то придется приобрести недостающие детали в магазине.

Птицы выклевывают подсолнухи. Птицы клюют подсолнух
Благоприятный сон, если Вы видите птиц с прекрасным оперением. Если женщина видит этот сон, ей следует ожидать быстрого и счастливого замужества или новой любви.
Видеть раненую птицу - глубокая печаль, вызванная поведением безрассудного отпрыска.
Видеть летящих птиц - это знак процветания для того, кто видит этот сон. Все нежелательные обстоятельства исчезнут в потоке грядущего блага.
Поймать птицу - это неплохой сон. Слышать, как птицы «переговариваются» - предвестье Вашей неспособности решить задачу, требующую огромной ясности восприятия.
Убить птицу из ружья - сон, предвещающий катастрофу, неурожай, стихийное бедствие.
Птица - весть. Как птица сядет на голову - мертвец. Если снится птицы - разлука мужчины и женщины. Птицы - души. Птицы - это люди. Как их очень много, то будет какая-то война ли что. "мне перед войной все, бывало, снится, что птички поле укрыли". Птичка в руках - успех в деле. Птицы поют - к любопытству. Птичка билась в окно - весть добрая - родите дитя. Видеть птичьи яйца или есть их - большая неприятность.
Толкование снов из Украинского сонникаПоймать птицу на лету — письмо издалека.
В пустоте поют птицы — смерть жены.
Летящая птица забирается вам за пазуху — счастье.
Птица преследует змею — получишь рекомендацию от какого-то человека.
Поймать птицу на лету — предвещает письмо издалека.
Значит удовольствие и прибыль.
Убивать их знаменует вред и убыток.
Стрелять в них значит тщетное нападение от неприятелей.
Птиц многих вместе видеть означает пустую болтовню или тяжбу.
Птиц дерущихся видеть предзнаменует ссору или скорую мировую.
Видеть птиц, летящих прямо к нам, предвещает потерю.
Слышать их поющих знаменует великую радость и удовольствие.
Слышать их говорящих предзнаменует счастливый успех в делах.
Видеть себя превращенным в птицу означает преумножение богатства.
Видеть ночных птиц, каковы: филин, сова, летучая мышь и другие имеет весьма дурное знаменование и предвещает остановку во всех делах наших.
Видеть хищных птиц, каковы: сокол, ястреб, орел, коршун и другие богатым предзнаменует умножение богатства, а бедным еще большую бедность.
Счастье, вести; прилетит – письмо; кормить – сплетни распускать; на голову сядет – смерть; дикие птицы – подарок; ловить их – к радости, выигрыш, забеременеешь (женщине), женитьба, прибыль; поймать – девочка родиться; держать в руках – успех в деле; в окно бьется – дитя родится; белые – радостные вести, свидание с другом; песни птиц слышать – добрые вести, любовь, радость; маленькая птица – дочка родиться (беременной); много птиц – пустая болтовня, тяжба, война.
Толкование снов из Сонника ВелесК освобождению от заботы, к спокойным дням.
Толкование снов из Сонника толкователя сновБлагоприятен сон, в котором появляются птицы с прекрасным оперением. Женщине он предвещает быстрое и счастливое замужество или новую любовь. Видеть летящих птиц – знак процветания и удачи, растворения всех негативных обстоятельств в потоке надвигающегося благоденствия. Поймать птицу – также неплохой знак.
Толкование снов из Современного сонникаПредвещает радость, тепло и дружбу. Этот сон знак незатейливого, но крепкого счастья.
Толкование снов из Сонника ХХ векаОзначают поклонение, безрассудную страсть в непрерывном следовании за солнцем.

