Как сделать сцепление на минитрактор своими руками?
- Как сделать сцепление на минитрактор своими руками?
- Как сделать плуг для минитрактора своими руками. Плуг для трактора в частном хозяйстве
- Как сделать плуг на минитрактор своими руками. Что понадобится для конструирования плуга
- Как сделать минитрактор в домашних условиях. Преимущества и недостатки
- Как сделать из мотоблока Нева минитрактор. Делаем минитрактор из мотоблока Нева
- Как из мотоблока сделать минитрактор. Сообщества › Мотоблоки (и все что с ними связано) › Блог › минитрактор из мотоблока
- Как сделать минитрактор полноприводный из мотоблока. Инструкция по сборке минитрактора из мотоблока
- Как сделать своими минитрактор. Области применения
- Как сделать минитрактор своими руками. Выбор двигателя для самодельного трактора
- Как сделать на минитрактор. Плюсы и минусы самодельного минитрактора
Как сделать сцепление на минитрактор своими руками?
Этим вопросом задаются многие фермеры, владеющие самодельными минитракторами. Прежде, чем ответить на него, следует разобраться в том, какой механизм проще всего собрать. Выделяют 2 вида конструкций, обладающих наиболее простой конструкцией: ременное и многодисковое, работающее в масляной ванне.
Клиноременный узел, подобно узлам других видов, также состоит из ведомых и главных деталей. В качестве ведомых деталей выступают шкивы.
Для сборки ременной муфты потребуется:
- 2 ремня, длиной не менее 14 см. Они будут играть роль передней и задней передачи;
- ролики пружинного типа – отвечают за оптимальное напряжение ремней;
- 2 направляющих планки, обладающие размерами, одинаковыми с параметрами шкивов,
- направляющая пластина из толстой прочной стали.
Как сделать плуг для минитрактора своими руками. Плуг для трактора в частном хозяйстве
Почти для всех работ в сельском хозяйстве необходим хороший плуг. Конечно, данное приспособление без труда можно купить в специализированном магазине. Но не каждый фермер способен оплатить такие расходы. К тому же этот инструмент используется редко. Минитрактор с плугом поможет вспахать землю на небольшом поле с минимумом затрат на горючее.

Самодельный плуг
В таком случае верным решением будет собственноручно сделать оборудование для минитрактора. Умельцам выполнить такую работу будет несложно – необходимо подобрать подходящий для этого дела материал и точно выполнять все правила изготовления. Многие думают, что плуг для минитрактора своими руками сделать трудоемко. Все неудачные попытки являются результатом плохих познаний в геометрии у начинающих мастеров. На фото показана схема создания чертежа для расчетов на двухкорпусный плуг для минитрактора.
Также в условиях домашнего гаража эту вещь сделать труднее, так как не всегда под рукой есть подходящие материалы. Для положительного результата важен навык в этом деле. Существуют разные модели плугов на минитракторы: роторный, оборотный, двухкорпусный. В зависимости от того, какой вариант вы хотите собрать своими руками, необходимо подобрать соответствующие инструменты и разработать схему.

Как сделать плуг на минитрактор своими руками. Что понадобится для конструирования плуга
Сделать плуг для минитрактора вполне реально в домашних условиях, потратив на это всего пару вечеров. Найти все главные комплектующие не составит особого труда. Чтобы создать самодельный плуг для минитрактора своими руками, понадобится:
- аппарат для сварки и электроды к нему;
- ножницы для резки металла;
- железная труба прямоугольной формы с размерами 52х40х7 мм;
- железная труба с диаметром полдюйма, подобные трубы, применяли в старых отопительных системах, поэтому найти её будет несложно;
- несколько десятков болтов М10;
- пластина из гетинакса толщиной в 25 мм;
- колёса с небольшим диаметром, например, с детской коляски или велосипеда;
- терпение и сообразительность.
В основном плуг к минитрактору цепляют, если в двигателе меньше 12 л.с. Такие агрегаты выполняют цели окучника, культиватора и сохи. Из-за особенной и несложной схемы он поможет обрабатывать любую почву, а качество работы будет одинаково высоким. Такой плуг можно установить как на минитрактор, так и на мотоблок. В особых ситуациях есть возможность отключить тягу и использовать не двигатель, а запряженную лошадь.
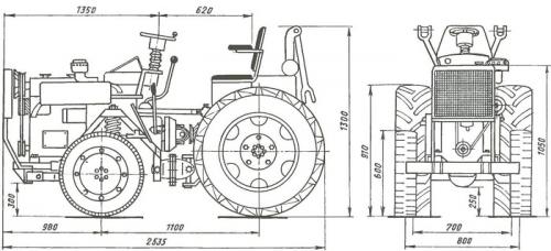
Как сделать минитрактор в домашних условиях. Преимущества и недостатки
Самодельный минитрактор, произведённый и собранный своими руками, значительно дешевле заводских моделей, а по своим техническим характеристикам даже иногда и превышает их показатели.
Он имеет такие основные преимущества:
- дешёвое производство;
- его можно сделать под личные нужды;
- детали можно использовать от старой техники.
Такой помощник используется для многих целей : обработка огородов и фруктовых садов, уборка участка и перевозка грузов и т. п.
Ещё одним преимуществом этого транспорта является его быстрая окупаемость. Вернуть вложенные деньги можно буквально за один сезон, ведь детали, из которых собирается трактор, могут сниматься со старой и ненужной техники или приобретаться по очень низким ценам — в том случае, когда детали уже были в использовании.
Некоторые умельцы иногда переоборудуют другую технику в минитракторы. Это значительно упрощает процесс сборки такого помощника.
Если говорить о недостатках, то можно отметить сложность в подборе нужных деталей. Также такой аппарат не имеет гарантии, в отличие от новых покупных моделей, а в случае поломки нужно самостоятельно выполнять ремонт и покупать требуемые детали. К тому же такой трактор, как правило, собирается со старых деталей и достойную замену не всегда возможно найти на рынке.
Подготовить необходимые чертежи не так просто. Для этого следует иметь минимальные навыки черчения и опыт работы. Это нужно потому, что трактор будет использоваться с другим оборудованием и требуется правильно рассчитать мощность мотора.
Сделанный в домашних условиях своими руками минитрактор обязательно нужно поставить на учёт в ГИБДД, так как при первом выезде на дорогу общего пользования и остановке устройства полицией можно получить большой денежный штраф, а само средство будет подлежать конфискации и попадёт на штраф-площадку.
Как сделать из мотоблока Нева минитрактор. Делаем минитрактор из мотоблока Нева
Создав минитрактор из мотоблока Нева своими усилиями, вы получите следующие удобства:
- Эта техника не нуждается в большом пространстве для своего размещения. Значит, не потребуется возводить для него гараж.
- Цена значительно уступает цене уже готового рабочего адаптера для мотоблока.
- Для работы требуется самое дешёвое топливо и в малых объёмах. Достаточно будет и 2 литров.
- Скоростной максимум – 30 км/ч.
- Для него нетрудно раздобыть запчасти. Они есть почти везде, и их цены довольно низкие.
- Если снабдить такое средство шинами с глубокими протектором, можно добиться высокой проходимости и превосходного сцепления с грунтом.
- Благодаря компактным размерам можно трудиться и на сложных участках, где обильно растут деревья. Также получается комфортная работа на придомовой зоне. При этом не страдают ни асфальт, ни тротуарная плитка.
Разумеется, самостоятельное создание такого шедевра возможно при наличии определённых навыков и знаний. Перед основными работами понадобится проанализировать много разных чертежей и схем, почитать техническую литературу и посмотреть полезные ролики.
Универсальной схемы и таких же наборов чертежей не существует . Так как аппараты различных производителей имеют конструкционные отличия, мощность и прочие параметры. Как сделать минитрактор из мотоблока Нева? Начинайте с выбора модели и чертежей.

Минитрактор из мотоблока нева. Габариты
Если вам не удаётся приобрести или найти мотоблок «Нева», вполне сгодятся и его аналоги, например «Зубр», «Салют» и «Арго». Также есть ещё ряд китайских аналогов. Но российская продукция пользуется большим спросом. Чертежи и схемы самодельного трактора из мотоблока Нева:

Схема минитрактора своими руками
В работе вам также пригодятся:
- металлические уголки и трубы;
- нержавеющая сталь (1 лист);
- дрель;
- сварочная техника;
- навесная техника;
- стандартный набор инструментов для монтажа (отвёртки, ключи, гайки, болты и т.д.).
Минитрактор можно укомплектовать только самым необходимым арсеналом:
- двумя подходящими колесами;
- комфортным креслом;
- рулём;
- рычагами.

Как из мотоблока сделать минитрактор. Сообщества › Мотоблоки (и все что с ними связано) › Блог › минитрактор из мотоблока
пришло время и я собрал минитрактор из мотоблока . мотоблок на длинные борозды водить очень тяжело. и тогда вместо прицепного адаптера собрать полутрактор из мотоблока

Полный размер
вот такой у меня мотоблок. на жигулёвских колёсах он быстро бегает.поэтому надо колёса поменьше.
п
Полный размер
передняя и задняя навеска.сделан под бульдозер.

Полный размер
его законные колёса 4х8. ступицы сварены из уголков.

Полный размер
посадка картошки самодельным окучником.

Полный размер
окучивание картошки дисками

Полный размер
колёса и суппорта с оки. ов.кулаки и ступицы.шланги ваз2108-15.колея 80см.меньше не получилось сделать.

Полный размер
диски оковские и суппорта пришлось пересверливать чтобы встали оковские колёса
.
рама сварена из 40х и 32х уголков и профтрубы 25х40х2.5 мм.

Полный размер
самодельные ступицы-разблокираторы грунтозацепов R16

Полный размер
изR16 дисков

Полный размер
самодельные разблокираторы

Полный размер
рулевая колонка тяги и гл. тормозной цилиндр 2106. сам руль 2108. пришлось подгонять его на вал

Полный размер
самодельная навеска . рычаг подъёма фиксируется в трёх положениях.

Полный размер
на этих колёсах он лучше тянет и маневрирует

Полный размер
испытание на нивовских грунтозацепах с плугом. только на первой передачи тянет хорошо.

Полный размер
посадка картошки теперь полутрактором.
также было боронование с двумя боронками-щётками и посев зерновых.были также доработки; переднего моста и обоих навесок и других мелочей. в будущих планах-цепной редуктор-ходоуменьшитель и косметические доработки.продолжение следует.
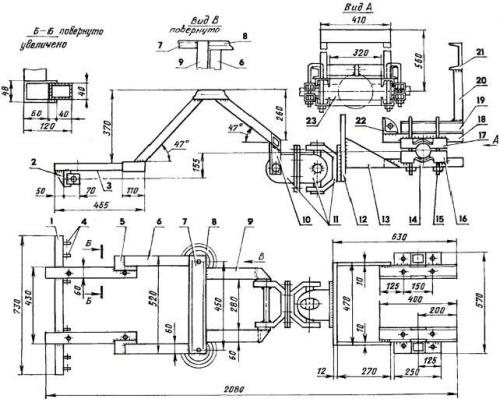
Как сделать минитрактор полноприводный из мотоблока. Инструкция по сборке минитрактора из мотоблока
Тем, кто интересуется, как сделать минитрактор из мотоблока Нева, Форте или из техники Зубр, необходимо знать, что производитель не имеет особого значения, на эффективность работы трактора это не влияет. Главное правильно разработать чертеж и схему построения. Также владелец техники может воспользоваться готовыми наработками.

Чертеж самодельного трактора

Кинематическая схема минитрактора
Рама и кузов
Для построения рамы разрешается применять металлические патрубки и уголки. В качестве крепежных элементов нужно использовать болты, но, чтобы создать прочное соединение, потребуется сварка.

Чертеж 1 - рама конструкции
Минитрактор своими руками можно оснастить кузовом. Это придаст технике не только презентабельный вид, но и защитит составляющие от пыли, механического и климатического воздействия. В данном случае применяются листы из нержавеющей стали.
Сидение оператора и рулевая установка
После завершения изготовления рамы с кузовом для самодельного оборудования на конструкции следует закрепить кресло для оператора. Здесь можно использовать водительское сидение из любого автомобиля. Устанавливать его необходимо таким образом, чтобы водитель смог легко подстроить под положение кресла себя – высоту и угол наклона. Рулевую создают по принципу построения установки в картинге. Но здесь понадобится усилить и укоротить тягу.
Ходовая часть
Колесный комплект для переделки спецтехники в минитрактор должен состоять из четырех колес с диаметром 12-14 дюймов.

Чертеж 2 – ходовая часть

Чертеж 3
Если установить колеса с меньшими размерами, то мини трактор при езде будет зарываться передом в грунт, а в обратном случае – усложнится управление.
Обкатка оборудования
После окончания работ по созданию мини трактора нужно обработать кузов антикоррозийным средством и покрыть краской. Далее технику требуется обкатать, таким образом оператор сможет убедиться в работоспособности всех механических узлов.
Когда техника будет уже испытана, ее можно дополнить головным светом, навесом, гидравликой и другими приспособлениями.
Как сделать своими минитрактор. Области применения
Самодельные минитрактора обладают схожими техническими особенностями, что и полноценные агрегаты белорусского , китайского и российского производства, представленные в магазинах. Именно поэтому, область их применения будет фактически одинаковой .
Естественно, основной работой для самодельного агрегата будет вспахивание, культивирование, а также прочая обработка земельных угодий. Данная задача является первостепенной, ведь фермера кормит именно его урожай, т.е. то, что он посадил собственноручно, а без должной подготовки почвы это практически невозможно.

Область применения
Это, во многом, объясняет ту необходимость и незаменимость подобной техники для сельского хозяйства в целом, а также для конкретных фермеров в частности.
Кроме того, с помощью самодельного минитрактора можно осуществлять целый перечень характерных работ:
- уборка снежных массивов в зимнее время;
- транспортировка небольших грузов;
- уборка бытового мусора, а также различной растительности;
- заготовка сена;
- посадка и выкопка картофеля, свеклы и т.д.
Подразумевается, что возможность выполнения подобных работ реализуется только в сочетании с определенным оборудованием, которое выполняет роль вспомогательного. Речь идет о прицепах, роторных и сегментных косилках, снежных отвала и т.д.
Именно с помощью агрегации этих устройств с самодельным минитрактором, становится возможным то расширение рабочих возможностей, а также повышения многозадачности, о которой все говорят.
Как сделать минитрактор своими руками. Выбор двигателя для самодельного трактора
Если вы решились собирать минитрактор своими руками, то в первую очередь нужно подобрать к нему силовой агрегат. В качестве последнего часто используют двигатель ЗИД . Это четырехтактный агрегат с объемом 0,52 л. и мощностью 4,5 л/с, который вполне подойдет для обработки 2-3 гектар земли. Двигатель отличается простотой обслуживания, поэтому его часто устанавливают на различную самодельную технику, к тому же, его просто купить в интернете.

Еще одним вариантом для самоделки является двигатель УД-25 . Это двухцилиндровый агрегат, имеющий мощность порядка 12 л/с и объем 0,42 л. Хотя данный тип моторов давно снят с производства, в интернете имеется большое количество предложений по продаже данного агрегата. Его можно купить приблизительно за 5 000 – 8 000 рублей.

Нередко при изготовлении самодельных тракторов мастера используют моторы от автомобилей. Например, можно встретить минитракторы с двигателем от Оки.

Данный двигатель имеет мощность 29,3 л/с и объем 0,649 л. По сути, это вазовский мотор (ВАЗ 21083), только в облегченном варианте, поскольку имеет в 2 раза меньший вес. Отличительная особенность двигателя от Оки – это малый расход бензина и высокий КПД.
Более дорогостоящий вариант – это двигатель из «Жигулей» . Моторы линейки автомобилей ВАЗ имеют мощность двигателя от 59 л/с (ВАЗ 2101) и выше. Трактор с двигателем ВАЗ – это достаточно мощный агрегат, который способен справиться практически с любыми сельскохозяйственными работами.


Владельцам мотоблоков изготовить минитрактор для домашнего хозяйства проще всего, поскольку данный агрегат уже обладает всеми необходимыми узлами управления. Остается лишь сделать подходящую раму, и трактор готов.

Как сделать на минитрактор. Плюсы и минусы самодельного минитрактора
Широкую популярность данному типу техники обеспечивают преимущества:
- Комфортная эксплуатация в ограниченных условиях небольшого пространства. Для самодельного минитрактора оптимальными являются поля менее 2-3 га. Более крупные площади обрабатываются более габаритной и мощной техникой.
- Не на всех участках оказывается эффективным ручное вскапывание. Это относится к каменистой или твердой фактуре грунта. При этом ручной труд окажется существенно тяжелее. Уместнее применять в подобных обстоятельствах мини трактор для домашнего хозяйства, который за считанные минуты при наличии соответствующего навесного оборудования выполнит поставленную задачу.
- Сделать минитрактор своими руками зачастую окажется дешевле, особенно когда имеется в наличии силовая установка от другой техники. Смастерить остальные узлы можно своими руками, чертежи в таком случае будут уникальными.
- Широкие возможности по реконструкции, перестройке, доработке и ремонту. Так как самому сделать минитрактор придется из подручных средств, то заранее в схемы можно закладывать перспективу переоборудования.
- Самоделка будет иметь небольшой вес, что не создаст излишней нагрузки на почву. Это делает ее безопасной для эксплуатации даже при уходе за урожаем в процессе культивации, окучивания или при уборке.